Книга Армия Наполеона, страница 92 – Олег Соколов

Авторы: А Б В Г Д Е Ж З И Й К Л М Н О П Р С Т У Ф Х Ч Ш Ы Э Ю Я
Книги: А Б В Г Д Е Ж З И Й К Л М Н О П Р С Т У Ф Х Ц Ч Ш Щ Ы Э Ю Я
Бесплатная онлайн библиотека LoveRead.me

Онлайн книга «Армия Наполеона»

📃 Cтраница 92

Когда кавалерии было много, полки, бригады или даже дивизии строились в так называемые «густые колонны» (colonnes serrées – дословно сомкнутые, сжатые колонны). Это были боевые порядки, в которых эскадроны строились в затылок один за другим на очень короткой дистанции. Подобные построения применялись прежде всего для крупных кавалерийских масс, стоящих в резервах, чтобы держать их максимально сконцентрированными. В момент выдвижения на боевые рубежи густые колонны обычно разворачивались в линии эскадронов.

Иллюстрация к книге — Армия Наполеона [i_102.jpg]

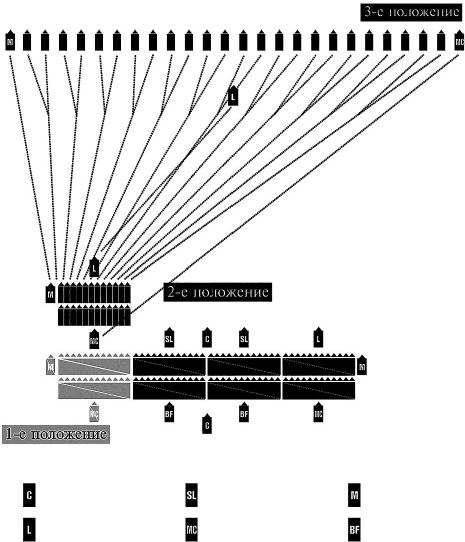
Выдвижение стрелков из линии эскадрона.

Условные обозначения: C – капитан, L – лейтенант,

SL – суб-лейтенант, SC – старший вахмистр,

МС – старший вахмистр, M – вахмистр,

BF – бригадир-фурьер, В – бригадир


Что же касается рассыпного строя, то, как это ни покажется странным современному читателю, он не играл для регулярной кавалерии существенной роли. Предполагалось и действительно многократно подтверждалось на практике, что эскадрон, действующий в сомкнутом строю, всегда разобьет эскадрон, атакующий в беспорядке. Поэтому атаку в рассыпном строю применяли лишь в ряде случаев: для внезапного броска на вражескую батарею, для наскока на неприятельскую стрелковую цепь, в случае нападения на обоз противника и т. п. Предполагалось также и выдвижение застрельщиков в рассыпном строю из линии эскадрона. Для этой цели использовался четвертый взвод, который галопом должен был выдвинуться вперед и, рассредоточившись, вести огонь по неприятелю из пистолетов или мушкетонов (если таковые имелись). Стрельба с коня применялась, конечно, не с целью разгрома неприятеля, а в тех случаях, когда нужно было прикрыть основные силы эскадрона от назойливых вражеских стрелков или, наоборот, попытаться вызвать противника на активные действия.

Основным же и главнейшим маневром кавалерии, ради которого делались все подготовительные эволюции, была решительная атака сомкнутой стеной с саблями наголо. Момент, предшествующий атаке, был волнующим и величественным. По команде:

Иллюстрация к книге — Армия Наполеона [i_103.jpg]

раздавался лязг стали, вынимаемой из ножен, и гул от ударов сотен копыт. Эскадроны трогались с места и медленно набирали скорость. Командиры в это мгновение должны были «следить за тем, чтобы точно соблюдалось направление движения, не допускать ни малейших колебаний рядов, смыкать насколько возможно плотно своих людей и смотреть за тем, чтобы они сохраняли абсолютное молчание» [397].

Через сто пятьдесят шагов после начала атаки, когда всадники уже шли крупной рысью, раздавалась команда: «В галоп… Марш!» (Au galop… Marche!). По этому приказу, повторенному вслед за полковником всеми старшими офицерами полка, кавалеристы давали шпоры лошадям. Земля тряслась от грохота копыт, с лязгом бряцали ножны о стремена, но всадники, храня молчание, постепенно превращались в сгусток энергии, ожидая последнего сигнала.

И вот, когда до противника оставалось примерно сто метров, командир привставал в стременах и выкрикивал одно лишь слово: Chargez! (дословно: Атакуйте!). Этот короткий приказ словно взрывал весь сжатый до этого порыв. Трубачи полка громко трубили атаку. Кавалеристы привставали в стременах, сабли первой шеренги наклонялись острием в грудь врага, сабли второй приподнимались для удара. Громовое «Vive l’Empereur!» сотрясало воздух, кони, шедшие до этого галопом, переходили на карьер… Еще мгновение, и безумный шквал людей и лошадей обрушивался на неприятеля…

Так должна была происходить атака согласно регламенту. И так в действительности тысячи раз ходили в бой эскадроны Великой Армии. Опытные кавалерийские командиры советовали: перед атакой, если это возможно, «распорядиться подтянуть подпруги у лошадей и дать солдатам выпить глоток водки. Иногда, чтобы придать кавалеристам порыва, если они должны атаковать пехоту или артиллерию, неплохо поставить их ненадолго под пули стрелков или под ядра (!). Войска, которые понесли потери, атакуют с большим напором, ибо они не только желают взять реванш за потери и отомстить, но их также легко убедить, что атаковать менее опасно, чем оставаться на месте, и что мощный быстрый удар освободит их от необходимости быть мишенью и погибать поодиночке без результата. Общее правило: когда атака уже начата, ведите ее до конца и держитесь во что бы то ни стало. Тогда вы одержите победу… У атаки есть свой момент порыва, момент схватки, затем момент колебания, а затем может наступить момент, когда придется отходить. Будьте твердыми во второй и третий момент, и победа будет за вами…» [398].

Иллюстрация к книге — Армия Наполеона [i_104.jpg]

П. Бениньи. Атака кирасир


Действительно, решительность и упорство были характерными чертами атак французской кавалерии эпохи Наполеона. Пусть кавалеристы были подчас плохо обучены, пусть их кони не отличались блестящей выездкой скаковых жеребцов, но у них были отвага, порыв, товарищеская солидарность и взаимопомощь, слаженность в массовых действиях, и, наконец, их вели блестящие кавалерийские командиры Лассаль, Мюрат, Монбрен, Кольбер, Пажоль, Брюйер, Корбино…

В результате французская конница била гораздо лучше обученные, сидящие на прекрасных немецких конях эскадроны пруссаков и австрийцев. Чего только стоит одно преследование отряда эрцгерцога Фердинанда в октябре 1805 года! За пять дней боев четыре тысячи французских драгун и легких кавалеристов, поддержанных горстью пехоты, разгромили целый корпус, в котором было много отличной кавалерии, взяли в плен 12 тысяч человек, захватили 128 пушек, 11 знамен и сотни зарядных ящиков. А в октябре 1806 года на поле битвы под Иеной французские эскадроны своими массовыми атаками буквально смели хваленую прусскую конницу. А затем началось преследование, гигантское стратегическое преследование, где каждый день французская кавалерия обрушивалась на врага, не считая его. 26 октября под Цедеником Лассаль с восьмьюстами гусарами атаковал двухтысячный отряд генерала Шиммельпфенига – знаменитых прусских черных гусар. После первого успеха французские кавалеристы были отброшены и могли бы погибнуть в неравной схватке, но прибытие на поле боя драгун Груши решило успех дела. Хваленые прусские гусары, прозванные «мясниками армии», были наголову разгромлены: два эскадрона прижаты к болоту и сдались в полном составе, пятьсот прусских кавалеристов были зарублены или ранены в ходе схватки.

28 ноября под атаками кавалерии Лассаля, Груши и Бомона сдался уже целый корпус – 10 тысяч человек, 45 знамен и 60 пушек! 29 ноября конные егеря Мильо (500 человек) у Пазевалька заставили сдаться отряд в 4200 человек, куда наряду с пехотой входили элитные части прусской кавалерии: лейб-кирасирский полк и кирасирские полки Гейснига, Гольцендорфа, Бюктига. Отныне в соответствии с формальным приказом начальника штаба Мюрата генерала Бельяра французская кавалерия должна была атаковать неприятеля при любом соотношении сил! Этот приказ перекликается с наполненными верой в себя, в своих товарищей, в отвагу словами другого кавалериста Империи, де Брака, о том, как надо атаковать врага: «Вы можете все! Атакуйте их, врубайтесь в их ряды, захватывайте их пушки, генералов, заставляйте сдаваться каре, превращайте их отступление в бегство, вы можете все, нет пределов вашим успехам!» [399].

Реклама
Вход
Поиск по сайту
Ищем:
Календарь