Книга Люди, которые играют в игры, страница 3 – Эрик Берн

Авторы: А Б В Г Д Е Ж З И Й К Л М Н О П Р С Т У Ф Х Ч Ш Ы Э Ю Я
Книги: А Б В Г Д Е Ж З И Й К Л М Н О П Р С Т У Ф Х Ц Ч Ш Щ Ы Э Ю Я
Бесплатная онлайн библиотека LoveRead.me

Онлайн книга «Люди, которые играют в игры»

📃 Cтраница 3

Схема 1а дает представление о целостной структуре личности любого человека, отображая все, что он может чувствовать, думать, говорить или делать. (Более упрощенная форма дана на схеме 1б.) Углубленный анализ не выявит новых состояний Я, он даст лишь более детальные членения первичных состояний. Очевидно, внимательный поиск обнаружит в большинстве случаев два Родительских компонента: один — ведущий происхождение от отца, другой — от матери. Анализ также откроет внутри детского состояния Я компоненты Родителя, Взрослого и Ребенка, которые уже были налицо, когда фиксировался Ребенок, чему можно найти подтверждение, наблюдая детей. Результаты этого вторичного анализа представлены на схеме 1в. Отделение одной модели чувствования и деятельности от другой при определении состояний Я мы называем структурным анализом. В тексте состояния Я будут обозначаться так же, как и в предыдущих схемах: родитель (Р), Взрослый (В) и Ребенок (Ре), все с заглавной буквы (напомним, что родитель, взрослый и ребенок со строчной буквы будут относиться к реальным людям).

Иллюстрация к книге — Люди, которые играют в игры [People-who-play-games-01.png]

Схема 1. Структурная диаграмма личности

 

Мы используем также и описательные термины, которые или понятны сами по себе, или будут объяснены в дальнейшем.

Еще немного о трансакционном анализе

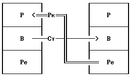
Когда встречаются два человека, во взаимодействие включаются шесть состояний их Я (по три в каждом из них, что отражено на схеме 2а). Поскольку состояния Я так же отличаются друг от друга, как и все люди, то важно понять, какое из состояний то время этой встречи активизировано в каждой из личностей и как эти состояния взаимодействуют. Происходящее можно изобразить на схеме в виде стрелок, связывающих двух людей. В простейших трансакциях (взаимодействиях) стрелки параллельны. Они называются дополнительными трансакциями. Ясно, что могут существовать девять типов дополнительных трансакций (РР, РВ, РРе, РеР, РеВ, РеРе), как это показано на схеме 2б. На схеме 2 а в качестве примера дается трансакция РРе между супругами, где стимул направлен от Родительского состояния Я мужа к Детскому состоянию Я жены, а реакция, наоборот, — от Ребенка к Родителю. В идеальном случае это муж, проявляющий отеческую заботу о жене, за что она ему весьма благодарна. Пока трансакция остается дополнительной, коммуникация развивается неограниченно.

Иллюстрация к книге — Люди, которые играют в игры [People-who-play-games-02.png]

Схема 2а. Дополнительные трансакции РРе-РеР

Иллюстрация к книге — Люди, которые играют в игры [People-who-play-games-03.png]

Схема 2б. Диаграмма девяти типов дополнительных трансакций

 

На схемах 3а,б отражена иная ситуация. На схеме 3а обозначен стимул от Взрослого к Взрослому (ВВ). Требование предоставить информацию получает отклик от Ребенка к Родителю (РеР), в результате чего стрелки стимула и реакции вместо того, чтобы идти параллельно, пересекаются. Трансакции этого типа называются пересекающимися. В этом случае коммуникация нарушена. Например, муж задает вопрос, требующий ответа по существу: «Где мои тапочки?», а жена возмущенно отвечает: «Почему я во всем всегда виновата?» — здесь имеет место именно пересекающаяся трансакция. Чаще всего разговор о тапочках на этом прекращается. Это пересекающаяся трансакция первого типа, представляющая собой обычную форму реакции переноса, которая происходит и в психотерапии. Именно этот тип трансакции, на наш взгляд, порождает большинство жизненных проблем. На схеме 3б изображена пересекающаяся трансакция второго типа, где стимул от Взрослого к Взрослому (например, вопрос) вызывает покровительственную или как бы «величавую» реакцию от Родителя к Ребенку. Это один из самых распространенных типов реакции контрпереноса. Одновременно, это самая распространенная причина разрывов человеческих взаимоотношений как личных, так и общественных, в том числе и политических.

При внимательном рассмотрении схемы 2б можно увидеть, что возможны семьдесят два типа пересекающихся трансакций (9Х9=81 комбинаций минус девять дополнительных). Но, к счастью, лишь четыре из них встречаются настолько часто, что привлекают внимание как психотерапевтов, так и многих людей в их повседневной жизни. Это первый тип (ВВ-РеР) и реакция перенесения, второй тип (ВВ — РРе) и реакция контрперенесения, а также существует третий тип (РеР — ВВ) — «раздражительная реакция», когда человек, ищущий сочувствия, обретает вместо этого голые факты. И четвертый тип (РРе — ВВ) — «дерзости», когда вместо послушания реагирующий демонстрирует «наглую самоуверенность», апеллируя к фактам.

Дополнительная и пересекающаяся — это простейшие, одноуровневые трансакции. Существует также два типа двухуровневых трансакций — угловая и двойная. На схеме 4а изображена угловая трансакция, при которой стимул выглядит как направленный от Взрослого к Взрослому (например, разумное на первый взгляд предложение торговой сделки), тогда как на самом деле он апеллирует к иному — Родительскому или Детскому — состоянию Я своего респондента. Здесь сплошная линия (ВВ) показывает социальный, или явный, уровень трансакции, тогда как пунктиром обозначен психологический, или скрытый, уровень. Если изображенная здесь угловая трансакция окажется успешной, то реакция будет идти не от Взрослого к Взрослому, а от Ребенка к Взрослому. Если реакция не удастся, то Взрослый респондента сохранит контроль над ситуацией и реакция будет реакцией Взрослого, а не Ребенка. Рассмотрение различных способов включения его состояний (схемы 4а и 2б) позволяет обнаружить восемнадцать типов успешных угловых трансакций, где реакция идет по пунктирной линии, и каждому из этих типов соответствует неуспешная трансакция с реакцией, параллельной сплошной линии.

Иллюстрация к книге — Люди, которые играют в игры [People-who-play-games-04.png]

Схема 3а. Пересекающиеся трансакции первого типа ВВ-РеР

Иллюстрация к книге — Люди, которые играют в игры [People-who-play-games-05.png]

Схема 3б. Пересекающиеся трансакции второго типа ВВ-РРе

Иллюстрация к книге — Люди, которые играют в игры [People-who-play-games-06.png]

Схема 4а. Успешная угловая трансакция (ВВ+ВРе) (РеВ)

Иллюстрация к книге — Люди, которые играют в игры [People-who-play-games-07.png]

Схема 4б. Двойная трансакция (ВВ-ВВ) (РеРе-РеРе)

 

Реклама
Вход
Поиск по сайту
Ищем:
Календарь