
Онлайн книга «Шестое вымирание»
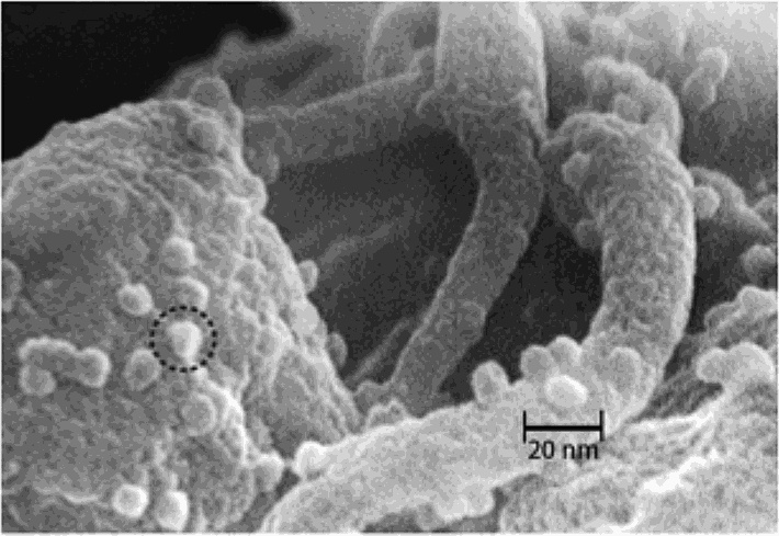
Эдмунд кивнул. – Я измерил размеры частиц, поселившихся на поверхности инфицированных волокон сердечной мышцы. Этот снимок, полученный с помощью электронного микроскопа, позволяет получить объемную картинку. ![]() Новый снимок показал отдельные вирусы, гнездящиеся на ветвящихся пучках мышц и нервах. Внизу экрана имелась шкала, позволяющая определить размеры частиц. – Получается, они меньше десяти нанометров, – заметила Лиза. – Это же вдвое меньше самого маленького известного вируса! – Вот почему я предложил свою помощь, – вмешался Линдаль, локтем отстраняя Эдмонда. – Чтобы получить более четкую картинку, я сопоставил данные анализа белка, полученные микробиологами. По этим данным и с использованием запатентованной мною программы я составил трехмерное изображение капсида, наружной оболочки вируса. ![]() Лиза всмотрелась в сферическую модель инфекционной частицы. Тонкая работа Линдаля произвела на нее впечатление, и она даже была готова смириться с его заносчивостью. – Это внешнее лицо нашего чудовища, – сказал Эдмунд. – Генри уже занят генетическим анализом того, что скрывается внутри. Доктор Генри Дженкинс был генетиком из Гарвардского университета. – Но уже по одному капсиду мы можем экстраполировать многое, – не обращая на него внимания, продолжал Линдаль. – Достаточно для того, чтобы утверждать, что это искусственная конструкция. Под белковой оболочкой мы обнаружили волокна графена, толщиной всего в два атома, сотканные в гексагональный узор. Он вывел на экран рядом с предыдущей картинкой новое изображение, показывающее заразную частицу без наружной оболочки, под которой было видно сложное переплетение. ![]() Определенно, это было похоже на что-то искусственное. Лиза постаралась определить значение этих рукотворных волокон. Графен является необычайно прочным материалом, более прочным, чем паутина. – Можно подумать, – сказала она, – что доктор Хесс пытался создать под белковой оболочкой некое подобие кевларового слоя. – Совершенно верно, – повернулся к ней Линдаль. – Тонко подмечено. Возможно, именно этой дополнительной структурой объясняется стабильность вируса. К настоящему времени уже установлено, что он устойчив к воздействию щелочей, кислот и даже огня. Однако до сих пор не было ответа на более важный вопрос: что защищает эта необычайно прочная оболочка? – Судя по всему, доктор Хесс создал идеальную оболочку, настолько маленькую, что она способна проникать в любые ткани, – продолжал Линдаль. – В животную, растительную, в грибы. Возможно, именно размеры и структура определяют универсальную патогенность вируса. Лиза кивнула, вспоминая землю, стерилизованную неизвестным организмом на глубину двух футов. – Но зачем Хесс создал этот вирус? – спросила она. – С какой целью? – Вы знакомы с ПВЧ? – спросил Линдаль. Лиза покачала головой. – Мы как раз обсуждали эту тему перед вашим приходом, – объяснил Эдмунд. – Эта аббревиатура расшифровывается как «пустые вирусоподобные частицы». Это совершенно новая область экспериментальных исследований: от вируса отделяется ДНК, и остается только наружная оболочка. Данные работы имеют большой потенциал в части создания новых вакцин. Лиза все поняла. Пустые частицы вызывают сильную антигенную защитную реакцию, но при этом абсолютно без риска заболеть. – Однако это еще только самое начало, – сказал Линдаль. – Имея пустую оболочку, можно строить что-то свое. Добавлять любые органические и неорганические компоненты, как, например, эти графеновые волокна. – И, создав такую оболочку, – добавил Эдмунд, – можно заполнить ее любыми чудесами или ужасами, какими только вздумается. Другими словами, идеальная оболочка становится идеальным средством доставки. Лиза снова вгляделась в лицо чудовища. «Что скрывается внутри?» – И вы полагаете, что доктору Хессу удалось добиться чего-то подобного? – спросила она. – Что он в своей лаборатории создал с чистого листа этот вирион и поместил в него что-то? Линдаль откинулся назад. – Такие технологии уже давно существуют. Еще в две тысячи втором году группа ученых из института Стоуни-Брук синтезировала живой вирус полиомиелита, имея под рукой лишь химические реактивы и генетическую схему. – Эти работы спонсировались Пентагоном, – тяжело вздохнул Эдмунд. Лиза уловила в его голосе явное обвинение. Исследования доктора Хесса также финансировались военными. Линдаль пропустил эти слова мимо ушей. – А в две тысячи пятом году в другой лаборатории был синтезирован более крупный вирус гриппа. В две тысячи шестом году такой же результат был достигнут в отношении вируса Эпштейна-Барра, у которого такое же число основных частей, как и у вируса ветряной оспы. Но все это детские игры по сравнению с тем, с чем мы имеем дело сегодня. В настоящее время ученые могут искусственно строить организмы размерами в сто раз больше, причем относительно дешево. – Он презрительно фыркнул. – Синтезатор ДНК можно свободно купить через Интернет. – Так что же именно вложил в оболочку доктор Хесс? – спросила Лиза. Однако прежде чем кто-либо успел ответить, у нее зажужжала рация. Судя по реакции ученых, они также это услышали. Это был Пейнтер. Уловив в его голосе возбуждение, Лиза поймала себя на том, что у нее чаще забилось сердце. – Только что пришло сообщение из Йосемитского парка, – доложил Кроу. – Женщина, подозревавшаяся в диверсии, мертва. «Мертва…» Лиза закрыла глаза, думая о Джоше. Эми Серпри была единственной ниточкой, единственным путем выяснить подробности об исследованиях доктора Хесса. – По предварительным данным, – продолжал Пейнтер, – она, скорее всего, умерла от того же заболевания, с которым мы имеем дело здесь. Национальная гвардия и отряды быстрого реагирования выехали на место, чтобы оцепить комплекс «Авани». Возможно также, что у нас появились новые жертвы заражения. Рейнджер Бек и сержант-комендор Дрейк. И собака. «Только не это…» Пейнтер продолжал, изложив дополнительные инструкции относительно мер предосторожности. Центру контроля заболеваний предстояло к возвращению двух предполагаемых жертв заражения оборудовать в ангаре еще одну карантинную зону. Когда он закончил, Лиза переключилась на выделенный канал. |